• Voor 17.30 besteld, morgen in huis*
  • 6 dagen per week geopend
  • Iedere werkdag bereikbaar van 07.00 - 17.30 uur
Registreren | Inloggen
Breur
Close
Results
Filters
Close
Breur
Results
Welkom Gast
  • Registreren
  • Inloggen
  • Assortiment
    • Assortiment
    • Aandrijftechniek
      • Aandrijftechniek
      • Afdichtingen
        • Afdichtingen
        • O-ringen
        • Pakkingplaat
      • Lagers
        • Lagers
        • Glijbussen
        • Groefkogellagers
        • Kogellagers
        • Lagerhuizen
      • Pneumatiek
        • Pneumatiek
        • Koppelingen
        • Persluchtverzorging
      • Smering
        • Smering
        • Smeernippel, toebehoren
        • Smeernippels
      • Tandwielaandrijvingen
        • Tandwielaandrijvingen
        • Tandwielen conisch
    • Ankerwerk
      • Ankerwerk
      • Bevestigingsankers
        • Bevestigingsankers
        • Betonschroefhulzen
        • Bevestigingsanker, toebehoren
        • Boutankers
        • Koppelbussen
        • Staafankers
      • Bouwverankering
        • Bouwverankering
        • Stelplaten
      • Bouwverankering
        • Bouwverankering
        • Ankerwerk
        • Dakverankering
        • Elementverankering
        • Kimankers
        • Kozijnankers
        • Kramplaten
        • Leuningankers
        • Muurplaatankers
        • Opwaaiankers
        • Randbekistingankers
        • Randbeveiliging
        • Stelplaten
        • Wandankers dilaterend
        • Wandankers star
      • Houtverbindingen
        • Houtverbindingen
        • Balkdragers korte lip
        • Balkdragers lange lip
        • Balkdragers licht
        • Balkdragers zonder lip
        • Dakverankering
        • Gordinglassen
        • Hoekankers
        • Hoeken
        • Koppelingen
        • Raveeldragers
        • Spijkerplaten
        • Spouwbladanker
        • Vloer-kozijnstrippen
      • Panhaken
        • Panhaken
        • Panhaken
      • Spouwankers
        • Spouwankers
        • Isolatiebevestigingen
        • Spouwanker hulpstuk
        • Spouwankers
      • Transportankers
        • Transportankers
        • Hijsogen
        • Hijsstroppen
      • Tuinbeslag
        • Tuinbeslag
        • Anti klimbeugels
        • Anti klimstrippen
        • Tuinbeslag
    • Automotive
      • Automotive
      • Aanhangersysteem
        • Aanhangersysteem
        • Aanhanger aansluitingen
        • Koppelingen
      • Aanhangersysteem
        • Aanhangersysteem
        • Aanhanger aansluitingen
        • Trailerdragers
      • Autostyling
        • Autostyling
        • Velgen
      • Elektra
        • Elektra
        • Accu's
        • Kabels
        • Oplaadapparaten
        • Snelstarters-acculaders
        • Snelstarters-acculaders
        • Verlichting
        • Zekeringen
      • Exterieur
        • Exterieur
        • Beschermdekens
        • Beschermhoezen
      • Interieur
        • Interieur
        • Beschermhoezen
        • Interieur-accessoires
      • Interieur
        • Interieur
        • Parkeerbenodigheden
      • Motordelen
        • Motordelen
        • Afdichtingen
      • Reinigingsgereedschappen
        • Reinigingsgereedschappen
        • Borstels
      • Sloten
        • Sloten
        • Voertuigsloten
      • Sloten
        • Sloten
        • Voertuigsloten
      • Veiligheidsuitrusting
        • Veiligheidsuitrusting
        • Gevarendriehoeken
        • Sleepkabels, -stangen
    • Beveiliging
      • Beveiliging
      • Beveiliging elektronisch
        • Beveiliging elektronisch
        • Besturingen
        • Hand brandmelders
        • Hittemelders
        • Koolmonoxidemelders
        • Rookmelders
        • Sensoren
      • Brandbeveiliging
        • Brandbeveiliging
        • Afdichtingen, brandwerend
        • Brandblussers
        • Branddekens
      • Lockout / Tagout
        • Lockout / Tagout
        • Tags
      • Werkkleding
        • Werkkleding
        • Werkhemden
    • Bevestigingsmaterialen
      • Bevestigingsmaterialen
      • Afdekkappen
        • Afdekkappen
        • Afdekkappen
      • Assortimenten
        • Assortimenten
        • Assortiment sets
      • Bedieningselementen
        • Bedieningselementen
        • Handgrepen
        • Kogelknoppen
        • Sterknoppen
      • Bevestigingssystemen
        • Bevestigingssystemen
        • Montagerails
      • Bouten
        • Bouten
        • Houtdraadbouten
        • Oogbouten
        • Slotbouten
        • Zeskantbouten
        • Zeskanttapbouten
      • Bouwverankering
        • Bouwverankering
        • Ankers
        • Keilbouten
        • Keilhulzen
        • Montagegereedschap
        • Schroefankers
        • Spanhulzen
        • Steigerbevestigingen
      • Bundelbanden
        • Bundelbanden
        • Bundelbanden
      • Bussen
        • Bussen
        • Spanbussen
      • Chemische verankering
        • Chemische verankering
        • Ankerstangen
        • Capsulesysteem
        • Injectiesysteem
        • Montagegereedschap
        • Montagegereedschap
      • Draadstangen
        • Draadstangen
        • Draadstangen
      • Draadstangen
        • Draadstangen
        • Draadstangen
      • Klinksystemen
        • Klinksystemen
        • Blindklinkmoeren
        • Blindklinknagels
      • Krammen
        • Krammen
        • Golfkrammen
      • Magneten
        • Magneten
        • Magneten
      • Magneten
        • Magneten
        • Magneten
      • Moeren
        • Moeren
        • Borgmoeren
        • Dopmoeren
        • Flensmoeren
        • Gleufmoeren
        • Inschroefmoeren
        • Inslagmoeren
        • Kartelmoeren
        • Lasmoeren
        • Oogmoer
        • Verbindingsmoeren
        • Vleugelmoeren
        • Zeskantmoeren
      • Montagebanden
        • Montagebanden
        • Montagebanden
      • Nagels
        • Nagels
        • Ankernagels
        • Bekistingnagels
        • Bootnagels
        • Bouwplaatnagels
        • Brads
        • Daknagels
        • Draadkrammen
        • Draadkrammen
        • Draadnagels
        • Duplexnagels
        • Gasbetonnagels
        • Gripankernagels
        • Klisjesnagels
        • Nagels op strip/band
        • Plintnagels
        • Regelnagels
        • Ribnagels
        • Schietnagels
        • Schroefnagels
        • Stalen nagels
        • T-nagels
        • Tochtstripnagels
      • Nieten
        • Nieten
        • Nieten
      • Pennen
        • Pennen
        • Borgpennen
        • Borgveren
        • Splitpennen
      • Pluggen
        • Pluggen
        • Gasbetonpluggen
        • Hollewandpluggen
        • Isolatieplaatpluggen
        • Kozijnpluggen
        • Nagelpluggen
        • Pluggen
        • Stelpluggen
      • Ringen
        • Ringen
        • Afdichtringen
        • Asborgringen
        • Borgringen
        • Carrosserieringen
        • Kraalringen
        • Pasringen
        • Seegerringen
        • Sluitringen
        • Sluitschelpen
        • Stelringen
        • Veerringen
        • Volgplaten
        • Zeilringen
      • Schroeven
        • Schroeven
        • Achterwandschroeven
        • Afstandschroeven
        • Anti-inbraakschroeven
        • Betonschroeven
        • Gasbetonschroeven
        • Glaslatschroeven
        • Houtbouwschroeven
        • Houtschroeven
        • HPL-plaatschroeven
        • Inserts
        • Kozijnschroeven
        • MDF schroeven
        • Metaalschroeven
        • Montageschroeven
        • Plaatschroeven
        • Schroeven zelfborend
        • Schroeven zelftappend
        • Snelbouwschroeven
        • Snelbouwschroeven op band
        • Snelbouwschroeven zelfborend
        • Spaanplaatschroeven
        • Spaanplaatschroeven op band
        • Stelschroeven
        • Vleugelschroeven
        • Vlonderschroeven
      • Sloten
        • Sloten
        • Magneten
      • Sluitingen
        • Sluitingen
        • D-Sluitingen
        • Harpsluitingen
        • Knevelsluitingen
      • Spanrubbers
        • Spanrubbers
        • Spanrubbers
      • Spanrubbers
        • Spanrubbers
        • Spanrubbers
      • Spieën
        • Spieën
        • Inlegspieën
      • Tapes
        • Tapes
        • Afdichtingstapes
        • Afplaktapes
        • Belijningstapes
        • Beschermingstapes
        • Isolatietapes
        • Montagetapes
        • Reparatietapes
        • Tapehouders
        • Tapes anti-slip
        • Verpakkingstapes
      • Touw
        • Touw
        • Touw
      • Veren
        • Veren
        • Borgveren
        • Drukveren
        • Trekveren
    • Bouwbeslag
      • Bouwbeslag
      • Asbakken
        • Asbakken
        • Asbakken
      • Deurbeslag
        • Deurbeslag
        • Beldrukkers
        • Briefplaten
        • Brievenbusafdichtingen
        • Brievenbusbordjes
        • Deurbellen
        • Deurbeslag brandvertragend
        • Deurbeslag, toebehoren
        • Deurduwers
        • Deurgarnituren
        • Deurgarnituren gatdeel
        • Deurkloppers
        • Deurknoppen
        • Deurkrukken
        • Deuropvangbeugels
        • Deurspionnen
        • Deurstoppers
        • Grepen
        • Huisnummers
        • Knopkrukken
        • Knopschilden
        • Kortschilden
        • Kruiskrukken
        • Langschilden
        • Overslagen
        • Rozetten
        • Schuifdeurkommen
        • Smalschilden
        • Stormkettingen
        • Symboolplaten
      • Deurnaalden
        • Deurnaalden
        • Deurnaald, toebehoren
        • Deurnaalden binnendeuren
        • Deurnaalden, brandwerend
        • Deurnaaldenonderdelen
      • Draaikiepbeslag
        • Draaikiepbeslag
        • Draaikiepbeslag
      • Garderobesystemen
        • Garderobesystemen
        • Garderobebuis beugels
        • Garderobebuis haken
        • Garderobebuis steunen
        • Garderobegarnituren
        • Garderobeprofielen
        • Garderobesystemen
        • Hoed- en jashaken
        • Jashaakrekken
        • Jashaken
        • Kapstok
        • Kastroede
        • Kastroedesteunen
        • Kledinghangers
        • Wandgarderobe
      • Haken
        • Haken
        • Haken
        • Handdoekhaken
        • Handdoekrekjes
        • Plafondhaken
      • Insectenwering
        • Insectenwering
        • Horren
      • Kistgrepen
        • Kistgrepen
        • Kistgrepen
      • Leuninghouders
        • Leuninghouders
        • Leuninghouders
      • Luikbeslag
        • Luikbeslag
        • Luikringen
      • Postkasten
        • Postkasten
        • Postkasten
      • Raambeslag
        • Raambeslag
        • Bovenraambeslag
        • Raambeslag, toebehoren
        • Raamknippen
        • Raamkrukken
        • Raamkrukken afsluitbaar
        • Raamkrukken afsluitbaar SKG**
        • Raamlichters
        • Raampennen
        • Raamscharen
        • Raamsloten opleg
        • Raamsloten opleg
        • Raamsloten opleg SKG*
        • Raamsloten opleg SKG**
        • Raamsluitingen
        • Raamsluitingen afsluitbaar
        • Raamsluitingen afsluitbaar SKG*
        • Raamuitzetters
        • Raamuitzetters SKG**
        • Stokhaken
        • Valijzers
      • Rolluikbeslag
        • Rolluikbeslag
        • Rolluikbeslag, toebehoren
      • Schuifdeurbeslag
        • Schuifdeurbeslag
        • Afdekkappen
        • Hefschuifdeurbeslag
        • Schuifdeurbeslag zelfsluitend
        • Schuifdeurgarnituren
        • Schuifdeurrail, toebehoren
        • Schuifdeurrails
      • Veiligheidsbeslag
        • Veiligheidsbeslag
        • Veiligheids garnituren SKG**
        • Veiligheids garnituren SKG***
        • Veiligheids kortschilden SKG***
        • Veiligheids langschilden
        • Veiligheids langschilden SKG**
        • Veiligheids langschilden SKG***
        • Veiligheids rozetten SKG**
        • Veiligheids rozetten SKG***
        • Veiligheids smalschilden SKG**
        • Veiligheids smalschilden SKG***
        • Veiligheidsbeslag, toebehoren
      • Vouwdeurbeslag
        • Vouwdeurbeslag
        • Vouwdeurgarnituren
      • Zorgbeslag
        • Zorgbeslag
        • Grepen
        • Zorgproducten junior
        • Zorgproducten senior
    • Bouwproducten
      • Bouwproducten
      • Afdekmaterialen
        • Afdekmaterialen
        • Afdeknet
        • Afdekvlies
        • Beschermmaterialen
      • Afdichtingsbanden
        • Afdichtingsbanden
        • Celrubber
        • Compressiebanden
        • Dichtingsbanden
        • Rugvullingsmaterialen
        • Schuimband
      • Afvalzakken
        • Afvalzakken
        • Afvalzakken
      • Dakbedekkingen
        • Dakbedekkingen
        • Dakbedekkingen bovenlagen
        • Dakbedekkingen onderlagen
      • Dakdoorvoeren
        • Dakdoorvoeren
        • Dakdoorvoeren
      • Folies
        • Folies
        • Beschermfolies
        • Bouwfolies
        • Folie, toebehoren
      • Isolatiematerialen
        • Isolatiematerialen
        • Isolatiematerialen
      • Lood
        • Lood
        • Bladlood
        • Bladloodvervangers
      • Luiken
        • Luiken
        • Vloerluiken
      • Matranden
        • Matranden
        • Matranden
      • Plaatmateriaal
        • Plaatmateriaal
        • Fineerband
      • Ramen
        • Ramen
        • Dakraam-accessoires
        • Tuimeldakraam
      • Reparatiemiddelen
        • Reparatiemiddelen
        • Reparatiespecie
      • Rookgasafvoermateriaal
        • Rookgasafvoermateriaal
        • Boldraadroosters
      • Snelbouwsystemen
        • Snelbouwsystemen
        • Plafondsystemen
      • Species
        • Species
        • Afwerkmortels
        • Betonmortels
        • Betonmortels
        • Metselspecies
        • Stucmortel
        • Voegspecies
      • Tuinproducten
        • Tuinproducten
        • Folies
        • Vlonders
      • Ventilatie
        • Ventilatie
        • Aansluitbussen
        • Bolroosters
        • Buitenroosters
        • Dakvoet ventilatie
        • Deurroosters
        • Muurroosters
        • Overdrukroosters
        • Plintroosters
        • Schoepenroosters
        • Schuifroosters
        • Ventielroosters
        • Ventilatiebuis
        • Ventilatiebuis, toebehoren
        • Ventilatieroosters
        • Ventilatierozetten
        • Ventilatiesets
        • Ventilatiestrippen
        • Ventilatoren
        • Vloer-gevelventilatie
      • Vloerroosters
        • Vloerroosters
        • Vloerroosters
    • Chemie
      • Chemie
      • Anti-vocht
        • Anti-vocht
        • Schimmelvreters
        • Vochtverdringers
        • Vochtvreters
        • Waterdichting
      • Autolakken
        • Autolakken
        • Primers
        • Primers aerosol
      • Chemische producten
        • Chemische producten
        • Absorptiemiddelen
        • Afbijtmiddelen
        • Afdichtmiddelen
        • Afstrijkmiddelen
        • Beschermingsmiddelen
        • Borgmiddelen
        • Brandstoffen
        • Gascilinders
        • Luchtverfrissers
        • Onderhoudsmiddelen
        • Onderzoeksmiddelen
        • Ontvetters
        • Oplosmiddelen
        • Reinigingsmiddel, toebehoren
        • Reinigingsmiddelen
        • Verdunners
        • Voorbehandelingsmiddelen
      • Dakcoatings
        • Dakcoatings
        • Dakcoatings
        • Dakgootreparatiemiddelen
        • Dakreparatiemiddelen
      • Kitten
        • Kitten
        • Acrylaatkitten
        • Afdichtingskitten
        • Beglazingskitten
        • Bitumenkitten
        • Butyleenkitten
        • Kit, toebehoren
        • Kitten brandvertragend
        • Kitten vuurvast
        • Lijmkitten
        • Primers
        • Siliconenkitten
        • Voegenkitten
        • Voegenkitten
      • Lijmen
        • Lijmen
        • Constructielijmen
        • Contactlijmen
        • Hobbylijmen
        • Houtlijmen
        • Lijm, toebehoren
        • Lijmen 2-componenten
        • Lijmen speciaal
        • Lijmpatronen
        • Montagekitten
        • PVC lijmen
        • Secondelijmen
        • Steenlijmen
        • Tegellijmen
        • Vloerbedekkingslijmen
        • Vloerproducten
        • Wandbekledingslijmen
      • Onderhoudsmiddelen
        • Onderhoudsmiddelen
        • Coatings
        • Onderhoudspray
        • Schoen onderhoudsmiddelen
        • Vloeistoffen
      • Pasta's
        • Pasta's
        • Afdichtpasta's
        • Koperpasta's
        • Montagepasta's
        • Slijppasta's
        • Smeerpasta's
        • Snijpasta's
        • Stoppasta's
        • Vulpasta's
      • PU-schuimen
        • PU-schuimen
        • PU-schuim, toebehoren
        • PU-schuimen
        • Reinigers
      • Reiniging
        • Reiniging
        • Reinigingsmiddelen
      • Reparatiemiddelen
        • Reparatiemiddelen
        • Plamuren en vulmiddelen
        • Plamuur en vulmiddelen, toebehoren
        • Reparatiecompound
      • Scheepscoatings
        • Scheepscoatings
        • Lakverven
      • Smeermiddelen
        • Smeermiddelen
        • Oliën
        • Smeer- afdichtmiddelen
        • Smeermiddelen
        • Smeerpoeders
        • Smeerspray
        • Vetten
      • Verf
        • Verf
        • Beitsen
        • Betonverven
        • Deklagen
        • Eén Pot systeem
        • Eén Pot systeem
        • Gevelverf
        • Grondlagen
        • Grondverven
        • Grondverven aerosol
        • Lakverven
        • Lakverven aerosol
        • Lakverven, effect
        • Markeringsverven
        • Muurverven
        • Oliën
        • Reparatieverven
        • Verf hulpmiddelen
        • Vloerverven
        • Waterdichting
    • Draadmaterialen
      • Draadmaterialen
      • Bewapeningsstaal
        • Bewapeningsstaal
        • Bewapeningsstaal
        • Bewapeningsstaal, toebehoren
        • Bewapeningsstaal, toebehoren
      • Draad
        • Draad
        • Binddraad, ijzerdraad
        • Lasdraad
        • Puntdraad
      • Draadspanners
        • Draadspanners
        • Draadspanners
      • Gaas
        • Gaas
        • Gaas gelast
        • Gaas gepuntlast
        • Gaas geweven
        • Panelen
        • Vlechtwerk
        • Vliegengaas
      • IJzerdraad
        • IJzerdraad
        • IJzerdraad
        • IJzerdraad hard
        • IJzerdraad zacht
      • Laselektroden
        • Laselektroden
        • Laselektroden
      • Staaldraad
        • Staaldraad
        • Staaldraadkabel
    • Elektra
      • Elektra
      • Aardingsmaterialen
        • Aardingsmaterialen
        • Aardklemmen
      • Accu's
        • Accu's
        • Accu's
      • Adereindhulzen
        • Adereindhulzen
        • Adereindhuls
      • Adereindhulzen
        • Adereindhulzen
        • Adereindhuls
      • Armaturen
        • Armaturen
        • Armaturen toebehoren
      • Armaturen
        • Armaturen
        • Armaturen toebehoren
      • Badkamer
        • Badkamer
        • Douches
      • Batterijen
        • Batterijen
        • Batterijen
        • Batterijen oplaadbaar
        • Batterijladers
        • Knoopcellen
      • Bellen en Gongen
        • Bellen en Gongen
        • Beldrukkers
      • Beschermslangen
        • Beschermslangen
        • Kabelbruggen
      • Beveiligingen elektrische circuits
        • Beveiligingen elektrische circuits
        • Smeltveiligheden
      • Bouwaansluitkasten
        • Bouwaansluitkasten
        • Meterkasten
      • Buisbevestigingssystemen
        • Buisbevestigingssystemen
        • Buisclips
      • Communicatieapparatuur
        • Communicatieapparatuur
        • Externe communicatieapparatuur
        • Telefoons
      • Connectoren
        • Connectoren
        • Connectoren
        • RJ-connectoren
      • Contactmaterialen
        • Contactmaterialen
        • Contactmaterialen
        • Contactmaterialen CEE-Norm
        • Verloopstekkers schuko®/CEE-Norm
      • Domotica
        • Domotica
        • Domotica, toebehoren
      • Inbouwdozen
        • Inbouwdozen
        • Buisinvoerstukken
        • Centraaldozen
        • Inbouwdozen
      • Installatiebuizen
        • Installatiebuizen
        • Hulpstukken
        • Hulpstukken
        • Installatiebuizen
      • Installatiematerialen
        • Installatiematerialen
        • Montagemateriaal
      • Isolatie- bescherming
        • Isolatie- bescherming
        • Gietharsen
        • Isolatiematten
        • Isolatietules
      • Isolatie- bescherming
        • Isolatie- bescherming
        • Isolatietules
      • Kabel
        • Kabel
        • Aansluitleidingen
        • Aansluitsnoeren
        • Installatiedraden
        • Kabelmarkering
        • Montagedraden
        • Rubberkabels
        • USB kabels
        • Verlengkabels
        • Verlengkabels CEE-Norm
        • Verloopkabels schuko®/CEE-Norm
        • Verwarmingskabels
        • Warmtekrimpkousen
      • Kabelbevestigingsmaterialen
        • Kabelbevestigingsmaterialen
        • Kabelbeugels
        • Zadels
      • Kabelhaspels
        • Kabelhaspels
        • Kabelhaspels
        • Veerkabelhaspels
      • Kabelmanagementsystemen
        • Kabelmanagementsystemen
        • Kabelgoten
      • Kabelschoenen
        • Kabelschoenen
        • Perskabelschoenen geïsoleerd
      • Kabelwartels
        • Kabelwartels
        • Kabelwartels
      • Kroonklemmen
        • Kroonklemmen
        • Kroonklemmen
      • Lasdoppen
        • Lasdoppen
        • Lasdoppen
      • Lasdozen
        • Lasdozen
        • Kabeldoosdeksels
        • Kabeldozen
        • Lasdozen
      • Radio tv Audio
        • Radio tv Audio
        • Audio
      • Schakelmateriaal
        • Schakelmateriaal
        • Bewegingsmelders
        • Contactstoppen
        • Dimmers
        • Schakelaars
        • Schakelmateriaal inbouw
        • Schakelmateriaal opbouw
        • Schakelmateriaal spatwaterdicht opbouw
        • Schakelmateriaal, toebehoren
        • Tijdschakelaars
      • Transformatoren
        • Transformatoren
        • Transformatoren
      • Verdeelblokken
        • Verdeelblokken
        • CEE verdeelblokken
        • Hangcontactblok
        • Verdeelblokken
      • Verdeelkasten
        • Verdeelkasten
        • Verdeelkasten
      • Verlichting
        • Verlichting
        • Binnenverlichting
        • Buitenverlichting
        • Gasontladingslampen
        • Gloeilampen
        • Halogeenlampen
        • Handlampen
        • Hoofdlampen
        • Lampen, toebehoren
        • LED lampen
        • Lichtmast
        • Lichtsnoeren
        • Looplamp
        • PL fluorescentielampen
        • Reflectorlampen
        • Schijnwerpers
        • Spaarlampen
        • TL armaturen
        • TL fluorescentielampen
        • TL LED lampen
        • TL starters
        • Werklampen
        • Zaklampen
      • Verwarmingsapparatuur
        • Verwarmingsapparatuur
        • Verwarmingsapparatuur
      • Voedingen
        • Voedingen
        • Netvoeding
        • Omvormers
    • Handgereedschappen
      • Handgereedschappen
      • Accu gereedschap
        • Accu gereedschap
        • Accugereedschappen
      • Accugereedschappen
        • Accugereedschappen
        • Accugereedschappen
      • Aftekengereedschappen
        • Aftekengereedschappen
        • Afschrijflinialen
        • Centerpunten
        • Centreerhaken
        • Correctiemiddelen
        • Flenshaken
        • Kalklijnproducten
        • Kraspennen
        • Krijt
        • Maatlatten
        • Markeren
        • Passers
        • Pennen
        • Potloden
        • Schrijfblokken
        • Schrijfblokken
        • Schrijfhaken
        • Stiften
        • Verstekhaken
        • Verstekhaken
        • Whiteboard artikelen
        • Winkelhaken
        • Zwaaihaken
      • Automotive gereedschappen
        • Automotive gereedschappen
        • Automotive gereedschappen diverse
        • Automotive gereedschappen diverse
        • Brandstofsysteem gereedschappen
        • Carrosseriegereedschappen
        • Demontagegereedschappen
        • Hoonapparaten
        • Inspectiegereedschappen
        • Klemtangen
        • Portiergereedschappen
        • Remsysteemgereedschappen
        • Remsysteemgereedschappen
      • Bankschroeven
        • Bankschroeven
        • Bankschroef, toebehoren
        • Bankschroeven
        • Draaiplaten
        • Hoogteverstellers
        • Machineklemmen
        • Opzetbekken
        • Slijpklemmen
        • Tafelklemmen
      • Behanggereedschappen
        • Behanggereedschappen
        • Behanggereedschappen
      • Beitels
        • Beitels
        • Koudbeitels
        • Sloopbeitels
      • Bits
        • Bits
        • Bit, toebehoren
        • Bits
        • Bitsets
      • Blindklinktangen
        • Blindklinktangen
        • Blindklinknageltang, toebehoren
        • Blindklinktangen
      • Carrosserie-gereedschappen
        • Carrosserie-gereedschappen
        • Uitdeukgereedschappen
      • Demagnetiseringsapparaten
        • Demagnetiseringsapparaten
        • Demagnetiseringsapparaten
      • Demontagegereedschappen
        • Demontagegereedschappen
        • Bandenlichters
        • Bandsleutels
        • Bout,- moerverwijderaars
        • Kabelex
        • Moerensplijters
        • O-ring (de)montagegereedschap
        • Tapeinduithalers
        • Trekkers
        • Zekeringtrekkers
      • Deurklemmen
        • Deurklemmen
        • Deurklemmen
      • Dopsleutelgereedschappen
        • Dopsleutelgereedschappen
        • Bougiesleutels
        • Dopsleutel, toebehoren
        • Dopsleutelonderdelen
        • Dopsleutels
        • Dopsleutelsets
        • Ratels
        • Slagdopsleutels
        • Slagdopsleutels, toebehoren
        • Slagdopsleutelssets
      • Draadborstels
        • Draadborstels
        • Staaldraadborstels
      • Drijvers
        • Drijvers
        • Doorslagen
        • Pendrijvers
      • Gereedschapssets
        • Gereedschapssets
        • Gereedschapssets
      • Grijpgereedschappen
        • Grijpgereedschappen
        • Grijpgereedschappen
        • Grijpgereedschappen
        • Magneetzoekers
      • HACCP Hygiënische reinigingsgereedschappen
        • HACCP Hygiënische reinigingsgereedschappen
        • Bezems
        • Emmers en deksels
        • Nagelborstels
        • Stelen
      • Hamers
        • Hamers
        • Bankhamers
        • Bekistinghamers
        • Combinatiehamers
        • Elektriciënshamer
        • Hamer terugslagvrij
        • Hamerkoppen
        • Hamers, hout
        • Hamers, koper
        • Hamers, leer
        • Hamers, rubber
        • Ketelsteenbikhamers
        • Klauwhamers
        • Kloofhamers
        • Kloppers
        • Koperhamers
        • Kunststofhamers
        • Lasbikhamers
        • Lathamers
        • Loodgietershamers
        • Metselaarshamers
        • Mokers
        • Nylonhamers
        • Pen-, bolbankhamers
        • Steigerhamers
        • Stratenmakershamers
        • Tegelzettershamers
        • Timmermanshamers
        • Voorhamers
      • Holpijpen
        • Holpijpen
        • Holpijpen
      • Houtbewerkingsgereedschappen
        • Houtbewerkingsgereedschappen
        • Beitels
        • Gutsen
        • Hechten
        • Schaven
        • Verzinkboren
      • Kabeltrekkers
        • Kabeltrekkers
        • Kabeltrekkers
        • Trekveren
      • Kitgereedschappen
        • Kitgereedschappen
        • Doseerapparaten
        • Kitpistolen
        • Kitstrijkers
      • Klemgereedschappen
        • Klemgereedschappen
        • Klemtangen
        • Klemtangen
        • Lijmtangen
        • Spanklemmen
      • Lijmgereedschappen
        • Lijmgereedschappen
        • Lijmkammen
        • Lijmmessen
        • Lijmrollers
        • Lijmverdelers
      • Loepen
        • Loepen
        • Precisieloepen
      • Machinesleutels
        • Machinesleutels
        • Carterplugsleutels
        • Draaistiften
        • Haaksleutels
        • Knie- steeksleutels
        • Kniesleutels
        • Kruissleutels
        • Magneetsleutels
        • Moersleutels verstelbaar
        • Opsteeksleutels
        • Pengatsleutels
        • Pijpsleutels
        • Pijpsleutelsets
        • Ring- ratelsleutelsets
        • Ring- steeksleutels
        • Ring- steeksleutelsets
        • Ringsleutels
        • Ringsleutels open
        • Ringsleutels plat
        • Ringsleutelsets
        • Schakelkastsleutels
        • Slagsleutels
        • Soksleutels
        • Soksleutelsets
        • Starter en bloksleutels
        • Steeksleutels
        • Steeksleutelsets
        • Stiftsleutels
        • Stiftsleutelsets
        • Ventielsleutels
      • Magneten
        • Magneten
        • Magneten
      • Meetgereedschappen
        • Meetgereedschappen
        • Afstandmeters
        • Afstandsmeter, toebehoren
        • Detectors
        • Dieptemeters
        • Diktemeters
        • Drukmeters
        • Duimstokken
        • Geluidsmeters
        • Gradenbogen
        • Hardheidsmeters
        • Hoekmaten
        • Hoekmeters
        • Inspectiegereedschappen
        • Kruishouten
        • Landmetermaten
        • Laskalibers
        • Linialen
        • Luchtstroommeters
        • Meetgereedschappen, toebehoren
        • Meetklokken
        • Meetlatten
        • Meetlinten
        • Meetstandaards
        • Meetstokken telescopisch
        • Meetwielen
        • Micrometer, toebehoren
        • Multimeters
        • Nivelleerlatten
        • Oppervlakteruwheidsmeters
        • Radiusmeter
        • Rolbandmaten
        • Schietlood
        • Schroefdraadmeters
        • Schroefmaten
        • Schuifmaten
        • Spanning detectie
        • Sproeiermeters
        • Straalkalibers
        • Stroomtangen
        • Tasters
        • Temperatuurmeters
        • Thermo/hygrometer
        • Vochtigheidsmeters
        • Voelermaten- banden
        • Waterpassen
      • Messen
        • Messen
        • Messen
      • Metselgereedschappen
        • Metselgereedschappen
        • Beitels
        • Bekistingschrapers
        • Betonschrapers
        • Betonverdelers
        • Bouwemmers
        • Gevelklemmen
        • Kantenstrijkers
        • Metselprofielen
        • Paleerijzers
        • Sabels
        • Schoonmaakborden
        • Schragen
        • Spanen
        • Speciekuipen
        • Stempels
        • Troffels
        • Voegborden
        • Voegspijkers
      • Momentgereedschappen
        • Momentgereedschappen
        • Meetklokken
        • Momentgereedschap, toebehoren
        • Momentschroevendraaiers
        • Momentsleutel insteekgereedschappen
        • Momentsleutels
        • Test-/kalibreergereedschappen
      • Montagegereedschappen
        • Montagegereedschappen
        • Gereedschap elektro
        • Laminaat leggereedschappen
        • Multifunctioneel gereedschap
      • Pijpenbuigers
        • Pijpenbuigers
        • Buigtangen
        • Buigveren
      • Plooi - ijzers
        • Plooi - ijzers
        • Plooi - ijzers
      • Ponsen
        • Ponsen
        • Gatenponsen
        • Gatenponssets
      • Reinigingsgereedschappen
        • Reinigingsgereedschappen
        • Afwasartikelen
        • Afwasartikelen
        • Autowas producten
        • Bezems
        • Blikken
        • Borstels
        • Dweilen
        • Emmers
        • Glasbewassing
        • Glasreinigers
        • Handdoeken, papier
        • Hogedrukreiniger, toebehoren
        • Leidingenreiniging
        • Leidingreinigingsveren
        • Moppen
        • Onderzoekstafelrollen
        • Opraapgereedschap
        • Poetsdoeken
        • Poetslappen
        • Poetspapier
        • Poetspapier dispensers
        • Putscheppen
        • Raagbollen
        • Raamwissers
        • Schrapers
        • Schrobbers
        • Schuurlappen
        • Schuurpadhouders
        • Sponsen
        • Steel, toebehoren
        • Stelen
        • Stoffers
        • Stofwissers
        • Trekkers
        • Vegers
        • Werkdoeken
        • Zemen
      • Ruimers
        • Ruimers
        • Boutenscharen
      • Sanitairgereedschappen
        • Sanitairgereedschappen
        • Montagegereedschappen
        • Radiatorsleutels
        • Ruimers
      • Scharen
        • Scharen
        • Allesknippers
        • Betonvlechtijzer-scharen
        • Blikscharen
        • Boutenscharen
        • Buisscharen
        • Combischaren
        • Hamerstelen
        • Kabelscharen
        • Knabbelscharen
        • Latoenscharen
        • Scharen
        • Universeelscharen
        • Verstekscharen
      • Schildersgereedschappen
        • Schildersgereedschappen
        • Afsteekmessen
        • Beugels
        • Glasreinigers
        • Kwasten
        • Penselen
        • Plamuurmessen
        • Plamuurrubbers
        • Roller, toebehoren
        • Ruitenlichters
        • Schildersstoffers
        • Spatels
        • Stopmessen
        • Verfhulpmiddelen
        • Verfrollers
        • Verfschrapers
        • Zuigheffers
      • Schroevendraaiers
        • Schroevendraaiers
        • Bitschroevendraaiers
        • Flexibele schroevendraaiers
        • Haakschroevendraaiers
        • Klemschroevendraaiers
        • Microschroevendraaiers
        • Microschroevendraaiersets
        • Priemen
        • Schroevendraaiers
        • Schroevendraaiers met verwisselbare kling
        • Schroevendraaiersets
        • Slagschroevendraaiers
        • Slagschroevendraaiersets
        • Sokschroevendraaiers
        • Sokschroevendraaiersets
        • Spanningzoekers
        • Stubby schroevendraaiers
        • T-schroevendraaiers
        • Trimschroevendraaiersets
      • Schuimpistolen
        • Schuimpistolen
        • Schuimpistolen
      • Slijpmiddelen
        • Slijpmiddelen
        • Aanzetstalen
        • Handslijpstenen
        • Kleppenslijper
        • Slijpsteenscherpers
        • Wetstenen
      • Smeergereedschappen
        • Smeergereedschappen
        • Jerrycan, toebehoren
        • Jerrycans
        • Maatbekers
        • Oliekan, toebehoren
        • Oliekannen
        • Oliespuiten
        • Opvangbakken
        • Schenkkannen
        • Spuitflessen
        • Trechters
        • Vatpompen
        • Vetspuit, toebehoren
        • Vetspuiten
      • Snijgereedschappen
        • Snijgereedschappen
        • Glas- en tegelsnijder, toebehoren
        • Glassnijders
        • Messen
        • Pijpsnijders
      • Soldeergereedschappen
        • Soldeergereedschappen
        • Gasbrander, toebehoren
        • Gasbranders
        • Soldeerbouten
        • Soldeerbouthouders
        • Soldeerhulpmiddelen
      • Spangereedschappen
        • Spangereedschappen
        • Boorklemmen
        • Conusreinigers
        • Conusuitdrijvers
        • Moeren
        • Opspangereedschappen
        • Snelwisselhouders
        • Spantangen
        • Spantanghouders
        • Tapverlengstukken
        • Wringijzers
      • Spiegels
        • Spiegels
        • Spiegel
      • Spiegels
        • Spiegels
        • Spiegel
      • Stelen
        • Stelen
        • Hamerstelen
        • Klauwhamerstelen
        • Mokerstelen
        • Statenmakershamerstelen
        • Voorhamerstelen
        • Wiggen/spieën
      • Stoffeerdersgereedschappen
        • Stoffeerdersgereedschappen
        • Vloergereedschappen
      • Stratenmakersgereedschap
        • Stratenmakersgereedschap
        • Egalisatieschuivers
        • Klinkertrekkers
        • Putdekselhaken
        • Trottoirbandtangen
      • Stukadoorsgereedschap
        • Stukadoorsgereedschap
        • Betonschaven
        • Schuurborden
        • Spackmessen
        • Spanen
        • Tegelzettersgereedschap
        • Voegrubbers
      • Tangen
        • Tangen
        • Aderhulstangen
        • Bedradingstangen
        • Borgveertangen
        • Boutensnijtangen
        • Buigtangen
        • Combinatietangen
        • Connectortangen
        • Draadkniptangen
        • Draadtangen
        • Elektronicatangen
        • Grijptangen
        • Griptangen
        • Kabelbundelbandtangen
        • Kabelklemtangen
        • Kabelkniptangen
        • Kabelsnijtangen
        • Klepdichtring-tangen
        • Kopkniptangen
        • Krimptangen
        • Langbektangen
        • Mechanicatangen
        • Moerentangen
        • Moniertangen
        • Montagetangen
        • Multifunctionele tangen
        • Nijptangen
        • Ontmantelingsgereedschappen
        • Pijpentangen
        • Pincetten
        • Platbektangen
        • Platbuigtangen
        • Ponstangen
        • Punttangen
        • Radiotangen
        • Rektuletangen
        • Remveertangen
        • Revolvertangen
        • Rondbuigtangen
        • Slangklemtangen
        • Sleuteltangen
        • Smeedtangen
        • Spanbandtangen
        • Spijkertrekkers
        • Striptangen
        • Tangensets
        • Tangonderdelen
        • Tegelkniptangen
        • Telefoontangen
        • Verbindingstangen
        • Voorsnijtangen
        • Wastafelmoertangen
        • Waterpomptangen
        • Zeilring- ogentangen
        • Zijsnijtangen
        • Zuigerveertangen
      • Tegelzettersgereedschap
        • Tegelzettersgereedschap
        • Tegelzettersgereedschap
      • Testgereedschappen
        • Testgereedschappen
        • Testgereedschappen, toebehoren
      • Vijlen
        • Vijlen
        • Blokvijlen
        • Draadvijlen
        • Kettingzaagvijlen
        • Molenzaagvijlen
        • Naaldvijlen
        • Platspitsvijlen
        • Raspen
        • Sleutelvijlen
        • Vijl, toebehoren
        • Vijlen driekant
        • Vijlen halfrond
        • Vijlen rond
        • Vijlen vierkant
        • Vijlensets
        • Zaagvijlen
      • Vonkvrije gereedschappen
        • Vonkvrije gereedschappen
        • Beitels vonkvrij
        • Dopsleutel, toebehoren vonkvrij
        • Pincetten vonkvrij
      • Zagen
        • Zagen
        • Draadzagen
        • Handzaagbladen
        • Handzagen
        • Verstekbakken
        • Zaagbeugels
    • Hang- en Sluitwerk
      • Hang- en Sluitwerk
      • Cilinders
        • Cilinders
        • Automatencilinders
        • Cilinders
        • Cilinders elektronisch
        • Demontagegereedschappen
        • Postkastcilinders
        • Schakelcilinders
        • Veiligheidscilinders SKG**
        • Veiligheidscilinders SKG***
      • Hangsloten
        • Hangsloten
        • Discussloten
        • Hangslot, elektronisch
        • Hangsloten
        • Hangsloten cilinder
        • Hangsloten klavier
        • Hangsloten met cijfer
      • Ketting- Kabelsloten
        • Ketting- Kabelsloten
        • Kabelsloten
        • Kettingsloten
      • Kluizen
        • Kluizen
        • Afstortkluizen
        • Geldkisten
        • Kluizen
        • Reissafe's
        • Sleutelkasten/-kluizen
      • Scharnieren
        • Scharnieren
        • Deurdrangerscharnieren
        • Deurveerscharnieren
        • Dievenklauwen
        • Duimen
        • Hengen
        • Inboorpaumelles
        • Kogellagerscharnieren
        • Kogellagerscharnieren SKG**
        • Kogellagerscharnieren SKG***
        • Kogelstiftpaumelles
        • Kogelstiftpaumelles SKG**
        • Kogelstiftpaumelles SKG***
        • Meubelscharnieren
        • Meubelscharnieren zonder veer
        • Meubelscharnieren, toebehoren
        • Nylon lagerscharnieren
        • Nylon lagerscharnieren SKG***
        • Paumelles
        • Paumelles gerold
        • Pianoscharnieren
        • Projectscharnieren
        • Salondeurscharnieren
        • Scharnierbeveiliging
        • Scharnieren
        • Scharnieren onzichtbaar
        • Scharnieren SKG**
        • Scharnieren SKG***
        • Scharnieren smal
        • Scharnieronderdelen
        • Schijflagerscharnier
        • Schijflagerscharnier SKG ***
        • Venelite scharnieren
        • Venelite scharnieren SKG**
        • Venelite scharnieren SKG***
      • Sloten
        • Sloten
        • Bijzetsloten SKG*
        • Bijzetsloten SKG**
        • Cilinder insteek smaldeursloten
        • Cilinder insteek smaldeursloten SKG**
        • Cilinder insteeksloten
        • Cilinder insteeksloten SKG*
        • Cilinder insteeksloten SKG**
        • Codesloten
        • Deuropeners elektrisch
        • Deursloten elektrisch, toebehoren
        • Espagnoletsloten
        • Garagedeursloten
        • Insteekslot, toebehoren
        • Insteeksloten
        • Klavier insteeksloten
        • Knopsloten
        • Meerpuntsluitingen
        • Meerpuntsluitingen SKG**
        • Meerpuntsluitingen SKG***
        • Meubelsloten
        • Opleg bijzetsloten SKG*
        • Opleg bijzetsloten SKG**
        • Oplegsloten
        • Oplegsloten SKG**
        • Sleutels
        • Sleuteltoebehoren
        • Slot sets
        • Sloten, brandwerend
        • Sluit- voorplaten
        • Sluitkommen
        • Sluitkommen
        • Sluitkommen SKG*
        • Sluitkommen SKG**
        • Sluitkommen SKG***
        • Sluitplaten
        • Smaldeursloten
      • Sluitwerk
        • Sluitwerk
        • Anti-paniekbeslag
        • Deurdranger armen
        • Deurdranger, toebehoren
        • Deurdrangers
        • Deurkettingen
        • Deurmagneten
        • Deurscharen
        • Deursluiters
        • Deurvastzetters
        • Espagnolet, toebehoren
        • Espagnoletbeveiligers
        • Espagnoletten
        • Espagnoletten SKG**
        • Grendels
        • Heksluiters
        • Insteekgrendels
        • Kierstandhouder SKG
        • Kierstandhouders
        • Klinkstellen
        • Luiksluitingen
        • Openingsbegrenzers
        • Overvallen
        • Paniekopener, toebehoren
        • Panieksluitingen
        • Raambegrenzers
        • Schuiven
        • Sluitingen
        • Snapsluitingen
        • Vloerveer, toebehoren
        • Vloerveren
      • Toegangscontrolesystemen
        • Toegangscontrolesystemen
        • Toegangscontrolesystemen, toebehoren
    • Huishoudelijk
      • Huishoudelijk
      • Afvalverzameling
        • Afvalverzameling
        • Afvalbakken
        • Afvalbakken vast
        • Afvalbakken verrijdbaar
        • Afvalemmers
        • Afvalverzamelaars
        • Afvalzakken
        • Asbakken
        • Draagringen
        • Papierbakken
        • Papierbakken, brandwerend
      • Drogen
        • Drogen
        • Droog hulpmiddelen
        • Drooglijnen
      • Elektronica
        • Elektronica
        • Camera's
      • Keetartikelen
        • Keetartikelen
        • Dranken
        • Eten
        • Koffie, toebehoren
        • Schoonmaakartikelen
        • Snacks
        • Toiletpapier
        • Waterkoelers
        • Zoetwaren
      • Ongedierte bestrijding
        • Ongedierte bestrijding
        • Dierenvallen
        • Instectenlampen
      • Persoonlijke verzorging
        • Persoonlijke verzorging
        • Persoonlijke verzorging
        • Toiletpapier
      • Reiniging
        • Reiniging
        • Matten
        • Reinigingsmiddelen
        • Schoonmaakartikelen
      • Tijdsmeting
        • Tijdsmeting
        • Klokken
        • Stopwatches
      • Transportmiddelen
        • Transportmiddelen
        • Fiets, toebehoren
      • Wassen
        • Wassen
        • Wasmachine/droger, toebehoren
      • Werkplaatsinrichting
        • Werkplaatsinrichting
        • Fiets, toebehoren
    • IJzerwaren
      • IJzerwaren
      • Bouten
        • Bouten
        • Zeskantbouten
      • Dragers
        • Dragers
        • Dragers
        • Kastplankdragers
      • IJzerwaren
        • IJzerwaren
        • Aanlegringen
        • Beugels
        • Bledschroeven
        • Haken
        • Koordhouders
        • Krulhaken
        • Musketonhaken
        • Ogen
        • Oog op plaat
        • Ophangogen
        • Ringen
        • Schroefduimen
        • Schroefhaken
        • Schroefogen
        • Spiegelbevestigingen
        • Stokeinden
        • Windhaken
      • Kabels
        • Kabels
        • Kabelklemmen
        • Kabeltoebehoren
        • Spanschroeven
      • Kettingen
        • Kettingen
        • Ketting, toebehoren
        • Kettingen gekleurd
        • Kettingen op rol
        • S-haken
        • Scheepskettingen
        • Sierkettingen
        • Victorkettingen
        • Voetkettingen
      • Wandrailsystemen
        • Wandrailsystemen
        • Wandrails
        • Wandrailsysteem, toebehoren
    • Infrastructuur
      • Infrastructuur
      • Straatmeubilair
        • Straatmeubilair
        • Asbakken
        • Stoepbord
      • Verkeersborden
        • Verkeersborden
        • Verkeersborden
      • Verkeersbordklemmen
        • Verkeersbordklemmen
        • Hekbeugels
        • Verkeersbordbeugels
        • Verkeersborden
      • Vloerplaten
        • Vloerplaten
        • Vloerplaten
    • Installatietechniek
      • Installatietechniek
      • Afdichting
        • Afdichting
        • Afdichtingen
      • Afsluiters
        • Afsluiters
        • Aftapkranen
        • Aftappen
        • Beluchterskranen
        • Stopkranen
      • Binnenriolering
        • Binnenriolering
        • Binnenriolering, pvc
        • Binnenrioleringonderdelen
      • Binnenriolering
        • Binnenriolering
        • Binnenrioleringonderdelen
      • Buisklemmen
        • Buisklemmen
        • Buis installatieklemmen
        • Stalenbuisklemmen zonder inlage
      • Buizen
        • Buizen
        • Buis, toebehoren
      • Closetsokken
        • Closetsokken
        • Closetsokken
      • Drukleidingsystemen
        • Drukleidingsystemen
        • Drukleidingsystemen, PE
        • Drukleidingsystemen, PP
      • Filters
        • Filters
        • Waterfilter
      • Fittingen
        • Fittingen
        • Afdichtstoppen
        • Eindkappen
        • Kniekoppelingen
        • Koppelingen
        • Koppelingen
        • Lasbochten
        • Nippels
        • Pijpnippels
        • Sokken
        • Verloopnippels
        • Verloopringen
      • Fittingen malleabel
        • Fittingen malleabel
        • Bochten
        • Knieën
        • Koppelingen
        • Kruisstukken
        • Nippels
        • Pluggen
        • Sokken
        • Soknippels
        • T-stukken
        • Verloopnippels
        • Verloopsokken
      • Hemelwaterafvoer
        • Hemelwaterafvoer
        • Dakgoten
        • Hemelwaterafvoer
        • Hemelwaterafvoeronderdelen
      • Klembanden
        • Klembanden
        • Klembanden
        • Klemplaten
      • Klimaatbeheersing
        • Klimaatbeheersing
        • Klimaatbeheersings gereedschap
      • Knelkoppelingen
        • Knelkoppelingen
        • Eindkoppelingen
        • Knelringen
        • Kniekoppelingen
        • Koppelingen
        • Muurplaten kiwa
        • Overschuifkoppelingen
        • Puntstukken
        • Schroefbussen
        • Slangpilaren
        • T-stukken
        • Verloopkoppelingen
        • Y-koppelingen
      • Kogelkranen
        • Kogelkranen
        • Kogelkranen
        • Kogelkranen gas
        • Kogelkranen volle doorlaat
      • Koppelingen
        • Koppelingen
        • Brandweerkoppelingen
        • Koppeling, toebehoren
        • Koppelingen voor PE-water
        • Persluchtkoppelingen
        • Snelkoppelingen
        • Veiligheidskoppelingen
      • Kranen
        • Kranen
        • Badkamer/keuken kranen
        • Vlotterkranen
      • Leidingklemmen
        • Leidingklemmen
        • Clips
        • Clips
        • Leidingklemmen
      • Leidingmanagementsystemen
        • Leidingmanagementsystemen
        • Leidinggoten
      • Leidingwatertransport
        • Leidingwatertransport
        • Waterleidingbuizen
      • Luchtsnelkoppelingen
        • Luchtsnelkoppelingen
        • Drukluchtkoppelingen
      • Meters
        • Meters
        • Manometers
      • Oorklemmen
        • Oorklemmen
        • Oorklemmen
      • Perskoppelingen
        • Perskoppelingen
        • Insteekkoppelingen
        • Kniekoppelingen
        • T-koppelingen
      • Perslucht, toebehoren
        • Perslucht, toebehoren
        • Perslucht koppelingen
      • Persluchtsystemen
        • Persluchtsystemen
        • Persluchtleidingen
      • Reduceerventielen
        • Reduceerventielen
        • Drukreduceerventielen
      • Slangen
        • Slangen
        • Gasslangen
        • Persluchtslangen
        • Persslangen
        • PVC slangen
        • Spiraalslangen
        • Ventilatieslangen
        • Waterslangen
        • Zuig persslangen
      • Slangklemmen
        • Slangklemmen
        • Slangklem assortimenten
        • Slangklemmen
      • Slangkoppelingen
        • Slangkoppelingen
        • Kraanaansluitingen
        • Reparatiekoppelingen
        • Snelkoppelingen
      • Slangopbergsystemen
        • Slangopbergsystemen
        • Slangenhouders
        • Slangenwagens
      • Slangstukken
        • Slangstukken
        • 3-wegstukken
        • Kraanstukken
        • Slangkoppelingen
        • Slangstukken
        • Slangverbinders
        • T-stukken
        • Waterdieven
        • Waterstoppen
      • Slangtules
        • Slangtules
        • Slangtules
      • Snelkoppelingen
        • Snelkoppelingen
        • Snelkoppelingen
      • Soldeerfittingen
        • Soldeerfittingen
        • Kappen
        • Knieën
        • Koppelingen
        • Muurplaatbeugels
        • Muurplaten
        • Ringen
        • T-stukken
        • Verloopsokken
      • Sproeiers
        • Sproeiers
        • Sproeiers
      • Spuitlansen
        • Spuitlansen
        • Spuitlansen
      • Spuitpistolen
        • Spuitpistolen
        • Spuitpistolen
      • Straalpijpen
        • Straalpijpen
        • Straalpijpen
      • Terugslagkleppen
        • Terugslagkleppen
        • Terugslagkleppen
      • Thermometers
        • Thermometers
        • Thermometers
      • Tijdelijke voorzieningen
        • Tijdelijke voorzieningen
        • Tijdelijke watervoorziening
      • Verwarming
        • Verwarming
        • Radiator, toebehoren
        • Radiatoren
      • Voetkleppen
        • Voetkleppen
        • Voetkleppen
    • Kantoorartikelen
      • Kantoorartikelen
      • Aftekengereedschappen
        • Aftekengereedschappen
        • Whiteboard artikelen
      • Bureau-accessoires
        • Bureau-accessoires
        • Documentverwerking
        • Schrijfmateriaal
      • Computersupplies en -accessoires
        • Computersupplies en -accessoires
        • Computersupplies en -accessoires
      • ICT en machines
        • ICT en machines
        • Diverse kantoormachines
        • Geheugenopslag
        • Inbinden en Lamineren
        • Kantoormachines
        • Labelprinters en tapes
        • Rekenmachines
        • Snijden en Vernietigen
      • Inkt en Toner
        • Inkt en Toner
        • Inktjet Cartridges
        • Linten
        • Toner Cartridges
      • Kantoor en opbergen
        • Kantoor en opbergen
        • Archivering
        • Diverse
        • Etiketen/Labels
        • Interieurs
        • Kaartsystemen
        • Kantoorbenodigdheden
        • Mappen
        • Ordners en ringbanden
        • Planning en Agenda's
        • Presenteren
      • Kantoormachines
        • Kantoormachines
        • Kantoormachines
      • Papier en verzenden
        • Papier en verzenden
        • Diverse Papierwaren
        • Enveloppen
        • Etiketten
        • Printpapier
        • Rollen papier
        • Schrijf- en notitieblokken
        • Stempels en Postkamer
        • Verpakkingsmaterialen
      • Presentatiemiddelen
        • Presentatiemiddelen
        • Magneten
        • Presenteren
      • Schrijven en Hobby
        • Schrijven en Hobby
        • Corrigeren
        • Hobbyartikelen
        • Luxe Schrijfwaren
        • Schrijfwaren
        • Viltstiften
    • Kantoorartikelen
      • Kantoorartikelen
      • Bureau-accessoires
        • Bureau-accessoires
        • Documentverwerking
      • Bureau-accessoires
        • Bureau-accessoires
        • Documentverwerking
        • Opbergsystemen
        • Schrijfmateriaal
      • Kantoormachines
        • Kantoormachines
        • Kantoormachines
    • Kantoorinrichting
      • Kantoorinrichting
      • Meubilair
        • Meubilair
        • Bureau's
        • Bureauonderdelen
        • Kasten
        • Kasten
        • Krukken
        • Ordnerzuilen
        • Stoelen
        • Stoelonderdelen
        • Tafelonderdelen
        • Tafels
        • Voetensteunen
      • Presentatiemiddelen
        • Presentatiemiddelen
        • Informatiewandsysteem
    • Keuken artikelen
      • Keuken artikelen
      • Keukengereedschappen
        • Keukengereedschappen
        • Bestek
        • Broodtrommels
        • Keukengerei
        • Keukenhulpen
        • Opdienen
        • Servetten, papier
        • Servies
        • Snijgereedschappen
        • Zakjes
      • Keukenmachines
        • Keukenmachines
        • Afkoelen
        • Koffiefilters
        • Opwarmen
        • Reinigen
    • Kleding & PBM
      • Kleding & PBM
      • Ademhalingsbescherming
        • Ademhalingsbescherming
        • Aanblaassystemen draagbaar
        • Aanblaassystemen stationair
        • Aanblaassystemen, toebehoren
        • Gelaatmasker filters
        • Halfgelaatsmaskers
        • Stofmaskers
        • Vluchtmaskers
        • Volgelaatsmaskers
      • Disposables
        • Disposables
        • Handbescherming wegwerp
        • Hoofdbescherming wegwerp
        • Kleding wegwerp
        • Voetbescherming wegwerp
      • EHBO
        • EHBO
        • Beademingsprodukten
        • Brancards
        • Defibrillatoren
        • EHBO-gereedschappen
        • Medicatie
        • Ontsmetting
        • Oogdouches
        • Oogspoelflessen
        • Reddingsdekens
        • Verbandmiddelen
        • Verbandtrommels
      • Gehoorbescherming
        • Gehoorbescherming
        • Oorkap, toebehoren
        • Oorkappen
        • Oorplugdispensers
        • Oorpluggen
        • Otoplastieken
      • Gelaats,- en gehoorbescherming
        • Gelaats,- en gehoorbescherming
        • Vizier met oorkappen
      • Gelaatsbescherming
        • Gelaatsbescherming
        • Gelaatsscherm, toebehoren
        • Gelaatsschermen
        • Gelaatsschermonderdelen
      • Handbescherming
        • Handbescherming
        • Handschoenen
        • Handschoenen chemisch bestendig
        • Handschoenen koudewerend
        • Handschoenen, mechanische bescherming
        • Lashandschoenen
        • Werkhandschoenen
      • Hoofdbescherming
        • Hoofdbescherming
        • Caps
        • Hoofddoeken
        • Mutsen
        • Petten
        • Stootpetten
        • Veiligheidshelm, toebehoren
        • Veiligheidshelmen
      • Huidbescherming
        • Huidbescherming
        • Huidcrème
        • Huidreiniging
        • Huidverzorging
        • UV-crème
      • Klinksystemen
        • Klinksystemen
        • T-shirts
      • Lasbescherming
        • Lasbescherming
        • Lashelmen
        • Lasmaskers
        • Lasruiten
        • Lasschilden
        • Spatruiten
      • Lichaamsdelenbescherming
        • Lichaamsdelenbescherming
        • Kniebeschermers
        • Nekbeschermers
      • Montagebanden
        • Montagebanden
        • Signaalkleding
      • Oogbescherming
        • Oogbescherming
        • Beschermbrillen
        • Bezoekersbrillen
        • Bril, toebehoren
        • Lasbrillen
        • Laserbrillen
        • Stofbrillen
        • Veiligheidsbrillen
      • Pasta's
        • Pasta's
        • T-shirts
      • PBM veiligheidsboxen
        • PBM veiligheidsboxen
        • PBM Veiligheidsboxen
      • Reparatiemiddelen
        • Reparatiemiddelen
        • T-shirts
      • Sport en vrijetijdskleding
        • Sport en vrijetijdskleding
        • Broeken
        • Jassen
      • Valbeveiliging
        • Valbeveiliging
        • Gordels
        • Lijnen met valdemper
        • Sluitingen
        • Valbeveiliging, toebehoren
        • Valbeveiligingssets
        • Valstopapparaten
      • Voetbescherming
        • Voetbescherming
        • Jassen
        • Klompen
        • Laarzen
        • Schoen onderhoudsmiddelen
        • Schoen, toebehoren
        • Sokken
        • Veiligheidslaarzen
        • Veiligheidsschoenen hoog
        • Veiligheidsschoenen laag
        • Werkschoenen
      • Werkkleding
        • Werkkleding
        • Amerikaanse overalls
        • Beschermmouwen
        • Blouses
        • Bodywarmers
        • Bosbouwkleding
        • Brandvertragende signaalkleding
        • Caps
        • Chemiekleding
        • Colberts
        • Colberts
        • Drijfpakken
        • Gilets
        • Halsdoeken
        • Hittekleding
        • Jassen
        • Kinderkleding
        • Kleding brandvertragend
        • Kleding zuurbestendig
        • Kleding, toebehoren
        • Korte broeken
        • Laskleding
        • Multi-norm kleding
        • Mutsen
        • Onderkleding
        • Overalls
        • Polo's
        • Polosweaters
        • Pullovers
        • Regenkleding
        • Rokken
        • Schoen, toebehoren
        • Schorten
        • Shirts
        • Stofjassen
        • Sweaters
        • T-shirts
        • Truien
        • Veiligheidshelmen
        • Veiligheidsschoenen hoog
        • Veiligheidsschoenen laag
        • Vesten
        • Waadpakken
        • Werkbroeken
        • Werkhandschoenen
        • Werkhemden
        • Zeskantmoeren
    • Landbouwmateriaal
      • Landbouwmateriaal
      • Schrikapparaten
    • Lastechniek
      • Lastechniek
      • Las- en snijapparatuur
        • Las- en snijapparatuur
        • Drukregelaars cilindermontage
        • Gascilinders
        • Las- snijapparatuur, toebehoren
        • Las- snijbrandersets
        • Lasgereedschappen
        • Snijgereedschappen
      • Lasbescherming
        • Lasbescherming
        • Lasdekens
        • Lasschermen
      • Laspistolen
        • Laspistolen
        • Laspistolen MIG/MAG
        • Laspistoolonderdeel
      • Soldeer
        • Soldeer
        • Hardsoldeer
        • Zachtsoldeer loodvrij
        • Zachtsoldeer tin/lood
    • Logistiek
      • Logistiek
      • Afbakeningsmiddelen
        • Afbakeningsmiddelen
        • Afbakeningsmiddelen
      • Bebording
        • Bebording
        • Brandblussers
        • Branddekens
        • Brandpreventie
        • Deurborden
        • Gebodsborden
        • Locatieborden
        • Redding en Evacuatie
        • Verbodsborden
        • Verkeersborden
        • Waarschuwingsborden
      • Bedrijfswageninrichting
        • Bedrijfswageninrichting
        • Bedrijfswagenafsluiting
        • Zijwanden
      • Extern transport
        • Extern transport
        • Betonstortwagens
        • Industrie aanhangers
        • Kruiwagen, toebehoren
        • Kruiwagenonderdelen
        • Kruiwagens
        • Kruiwagens elektrisch
        • Ladingvastzetsystemen
        • Wielblokkering
      • Hijstechniek
        • Hijstechniek
        • Garage equipment
        • Hefgereedschap
        • Hefgereedschap
        • Hijsbanden
        • Hijsketting, toebehoren
        • Hijsklemmen
        • Hijstassen
        • Lieren
        • Loopkatten
        • Rondstroppen
        • Takels
        • Vacuümheffers
      • Infrastructuur
        • Infrastructuur
        • Wegenbouw
      • Intern transport
        • Intern transport
        • Afvalbakken
        • Bakwagens
        • Bakwagens
        • Etagewagens
        • Etagewagens
        • Gasflessenwagens
        • Handtrekwagens
        • Handtrekwagens
        • Heftafels
        • Kantelbakken
        • Pakketwagens
        • Pallettrucks
        • Platen- glaswagens
        • Platendragers
        • Platformwagens
        • Rolplateau's
        • Serveerwagens
        • Serveerwagens
        • Steekwagens
        • Tafelwagens
        • Transport- onderzetrollers
        • Transportwagens
        • Vatenhandling
        • Verrijdbare laadborden
        • Vork- platformlifter
        • Werkplaatswagens
      • Klimmaterieel
        • Klimmaterieel
        • Doorwerksystemen
        • Ladders
        • Steigers
        • Trappen
      • Opbergmaterialen
        • Opbergmaterialen
        • Assortimentsbakken
        • Assortimentsdozen
        • Assortimentskasten
        • Containers
        • Etiketen/Labels
        • Foudralen
        • Gereedschapshouders
        • Gereedschapskisten
        • Gereedschapskoffers
        • Gereedschapskoppels
        • Holsters
        • Holsters
        • Koffers
        • Milieu opbergmiddelen
        • Montagekoffers
        • Opbergboxen
        • Opslagbakken
        • Spijkerschorten
        • Tassen
        • Transportkisten
        • Vaten
        • Verhuisdozen
      • Verpakkingsmaterialen
        • Verpakkingsmaterialen
        • Blikverpakkingen en vaten
      • Verpakkingsmaterialen
        • Verpakkingsmaterialen
        • Kunststofverpakkingen
      • Vlaggen
        • Vlaggen
        • Vlaggen
        • Vlaggenstokken
        • Vlaggenstokonderdelen
      • Werkplaatsinrichting
        • Werkplaatsinrichting
        • Beschermdekens
        • Gereedschapswagens
        • Gereedschapswanden
        • Kast, toebehoren
        • Kasten
        • Ladekast, toebehoren
        • Ladekasten
        • Lagers
        • Liften
        • Rolbokken
        • Scheidingswanden
        • Stellingen
        • Stellingonderdelen
        • Verpakkingsmaterialen
        • Wegen
        • Werkbankcomponenten
        • Werkbanken
        • Werkplaatsstoelen
      • Wielen
        • Wielen
        • Dubbelrollen
        • Wielen met halfelastische rubber band
        • Wielen met kunststof wiel
        • Wielen met polyamide loopvlak
        • Wielen met rubber band
        • Wielen met vol elastische rubber band
        • Wielen, los
    • Machines
      • Machines
      • Accu gereedschap
        • Accu gereedschap
        • Accu's
        • Adapters
        • Betonverdichtings- en afwerkmachines
        • Blindklinknageltangen
        • Boorbreekhamers
        • Boorhamers
        • Boormachines
        • Boorschroefmachines
        • Buig-en knipmachines
        • Compressoren
        • Diamant gereedschap
        • Freesmachines
        • Heteluchtpistolen
        • Kitpistolen
        • Lampen
        • Lijmpistolen
        • Luchtbehandelingsmachines
        • Machine assortiment
        • Mengmachines
        • Multi-machines
        • Nietmachines
        • Oplaadapparaten
        • Persmachines
        • Polijstmachines
        • Pompen
        • Radio's
        • Reinigingsmachines
        • Schaafmachines
        • Scharen
        • Schroefautomaten
        • Schroevendraaiers
        • Schuurmachines
        • Slagmoeraanzetters
        • Slagschroevendraaiers
        • Slijpmachines
        • Snijmachines
        • Soldeerbouten
        • Spijkerinslagmachines
        • Stampers
        • Tackers
        • Tuingereedschap
        • Vetspuiten
        • Vetspuiten
        • Vlechtmachines
        • Waterpasinstrumenten
        • Zaagmachines
      • Elektrisch gereedschap
        • Elektrisch gereedschap
        • Afwerkspanen
        • Afzuiginstallaties
        • Betonmolens
        • Betontrilnaalden
        • Boorbreekhamers
        • Boorhamers
        • Boormachines
        • Boormachines
        • Breekhamers
        • Buig-en knipmachines
        • Compressoren
        • Diamant gereedschap
        • Draadsnijmachines
        • Freesmachines
        • Graveermachines
        • Heaters
        • Heteluchtpistolen
        • Kantenlijmers
        • Lasapparaten
        • Lijmpistolen
        • Luchtbehandelingsmachines
        • Mengmachines
        • Multi-machines
        • Ontdooitransformator
        • Ontstoppers
        • Pompen
        • Pompen
        • Radio's
        • Reinigingsmachines
        • Reinigingsmachines
        • Schaafmachines
        • Scharen
        • Scharen
        • Schroefmachines
        • Schuurmachines
        • Schuurmachines
        • Slagmoeraanzetters
        • Slijpmachines
        • Slijpmachines
        • Soldeerbouten
        • Soldeerstations
        • Stofverzamelaars
        • Tackers
        • Tuingereedschap
        • Verfspuiten
        • Verwarmingsapparaten
        • Zaagmachines
        • Zaagmachines
      • Handbediende machines
        • Handbediende machines
        • Boormachines
        • Handtackers
        • Haspelwikkelmachines
        • Knipmachines
        • Pompen
        • Pompen
        • Reinigingsgereedschap
        • Scharen
        • Snijmachines
        • Zaagmachines
      • Machine combinatiesets
        • Machine combinatiesets
        • Machine combinatiesets
      • Machine, toebehoren
        • Machine, toebehoren
        • Aandrijfmotoren
        • Afzuiginstallatie, toebehoren
        • Betonmolen, toebehoren
        • Betonslijper, toebehoren
        • Betontrilnaald, toebehoren
        • Boor- en persmachine, toebehoren
        • Boorhamer, toebehoren
        • Boorhouders
        • Boorhoudersonderdelen
        • Boorhulzen
        • Boormachine, toebehoren
        • Boorschroefmachine, toebehoren
        • Breekhamer, toebehoren
        • Compressor, toebehoren
        • Decoupeerzaagmachine, toebehoren
        • Draadsnijmachine, toebehoren
        • Draaibank, toebehoren
        • Drukspuit, toebehoren
        • Freesmachine, toebehoren
        • Gas/kruittackers, toebehoren
        • Heater, toebehoren
        • Hogedrukreiniger, toebehoren
        • Kabelschaar, toebehoren
        • Kantenlijmer, toebehoren
        • Kitpistool, toebehoren
        • Knabbelschaar, toebehoren
        • Knipmachine, toebehoren
        • Lasapparaat, toebehoren
        • Lijmpistool, toebehoren
        • Luchtbehandelingsmachine, toebehoren
        • Machine onderstellen
        • Mengmachine, toebehoren
        • Multi-machine, toebehoren
        • Persmachine, toebehoren
        • Plaatschaar, toebehoren
        • Pneumatiek, toebehoren
        • Polijstmachine, toebehoren
        • Pomp, toebehoren
        • Schaafmachine, toebehoren
        • Schroevendraaier, toebehoren
        • Schuurmachine, toebehoren
        • Slijpmachine, toebehoren
        • Soldeerbout, toebehoren
        • Stofzuiger, toebehoren
        • Tacker, toebehoren
        • Tegelsnijmachine, toebehoren
        • Transportwagen, toebehoren
        • Tuingereedschap, toebehoren
        • Verfspuit, toebehoren
        • Waterpasinstrument, toebehoren
        • Zaagmachine, toebehoren
      • Machineonderdelen
        • Machineonderdelen
        • Knipmachineonderdelen
        • Koolborstels
        • Machineonderdelen
      • Motorisch gereedschap
        • Motorisch gereedschap
        • Afwerkspanen
        • Betonmolens
        • Compressoren
        • Diamant gereedschap
        • Generatoren
        • Pompen
        • Slijpmachines
        • Trilplaten
        • Tuingereedschap
        • Tuingereedschap
        • Vlindermachines
        • Zaagmachines
      • Pneumatisch gereedschap
        • Pneumatisch gereedschap
        • Bandenspanningsmeters
        • Blaaspistolen
        • Blindklinknageltangen
        • Boormachines
        • Gas/kruittackers
        • Hakhamers
        • Hogedrukspuiten
        • Kitpistolen
        • Kitpistolen
        • Luchtslanghaspels
        • Naaldbikhamers
        • Persluchtsets
        • Slagmoersleutels
        • Slijpmachines
        • Spuitpistolen
        • Spuitpistolen
        • Straalpistolen
        • Tackers
        • Veerkabelhaspels
        • Verfspuiten
        • Vetpompen
        • Zaagmachines
      • Stationair machines
        • Stationair machines
        • Afzuiginstallaties
        • Boormachines
        • Boormachines
        • Draadsnijmachines
        • Snelstarters-acculaders
        • Werkbankslijpmachines
        • Zaagmachines
        • Zaagmachines
        • Zandstraalcabines
    • Meubelbeslag
      • Meubelbeslag
      • Ladebeslag
        • Ladebeslag
        • Ladegeleiders
        • Ladegeleiders kogelloopwerk
        • Ladegeleiders telescoop
        • Ladegrepen
      • Meubelbeslag
        • Meubelbeslag
        • Meubelbescherming
        • Meubelgrepen
        • Meubelknoppen
        • Meubelpoten
        • Meubelscharen
        • Meubelscharnieren
      • Meubelverbindingen
        • Meubelverbindingen
        • Meubelverbindingen
    • Profielen
      • Profielen
      • Afdichtingsprofielen
        • Afdichtingsprofielen
        • Afdichtingsprofielen
        • Afdichtingsprofielen, brandwerend
        • Kaderprofielen
      • Beschermingsprofielen
        • Beschermingsprofielen
        • Beschermingsprofielen
      • Bouwprofielen
        • Bouwprofielen
        • Afdekprofielen
        • Bekistingsprofielen
        • Dakrandprofielen
        • Hoekbeschermingsprofielen
        • Horprofielen
        • Lekdorpelprofielen
        • Plaatprofielen
        • Plankdragerprofielen
        • Profiel, toebehoren
        • Profielen standaard
        • Schroten
        • Stucprofielen
        • Tafelrandprofielen
        • Tegelprofielen
        • Trapprofielen
        • Waterslagen
      • Platen
        • Platen
        • Platen geperforeerd
        • Platen glad
      • Preventieprofielen
        • Preventieprofielen
        • Deurprofielen anti-inbraak
        • Deurprofielen anti-inbraak SKG*
        • Deurprofielen anti-inbraak SKG* / SKG V
        • Doorvalbeveiliging, toebehoren
        • Doorvalbeveiligingen
        • Raamprofielen anti-inbraak
        • Raamprofielen anti-inbraak SKG*
        • Raamprofielen anti-inbraak SKG**
      • Tochtprofielen
        • Tochtprofielen
        • Dorpelprofielen
        • Dorpelstrips
        • Tochtprofielen
    • Sanitair
      • Sanitair
      • Badkamer
        • Badkamer
        • Badkamer-accessoires
        • Douche-accessoires
        • Douches
      • Keramiek
        • Keramiek
        • Toiletten
      • Keukenmachines
        • Keukenmachines
        • Opwarmen
      • Kranen
        • Kranen
        • Badkamerkranen
        • Kraan, toebehoren
      • Toiletten
        • Toiletten
        • Toilet-accessoires
        • Toilet, toebehoren
    • Tuingereedschappen
      • Tuingereedschappen
      • Baggerbeugels
        • Baggerbeugels
        • Baggerbeugels
      • Batsen
        • Batsen
        • Batsen
        • Schepbatsen
        • Steekbatsen
      • Beplantingsartikelen
        • Beplantingsartikelen
        • Opbindartikelen
      • Besproeiingstechniek
        • Besproeiingstechniek
        • Broesen
        • Sprinklersystemen
        • Sproeiers
        • Waterverdelers
      • Bijlen
        • Bijlen
        • Bijlen
        • Boombijlen
        • Keukenbijlen
        • Kloofbijlen
      • Drukspuiten
        • Drukspuiten
        • Drukspuiten
        • Plantenspuiten
      • Gieters
        • Gieters
        • Gieters
      • Grondboren
        • Grondboren
        • Grondboren
        • Palentrekkers
        • Verlengstukken
      • Hakken
        • Hakken
        • Hakken
      • Harken
        • Harken
        • Asfaltharken
        • Bladharken
        • Gazonharken
        • Hooiharken
        • Tuinharken
      • Heien
        • Heien
        • Heien
      • IJsbrekers
        • IJsbrekers
        • IJsbrekers
      • Kniekussens
        • Kniekussens
        • Kniekussen
      • Krabbers
        • Krabbers
        • Krabbers
      • Leidingprikkers
        • Leidingprikkers
        • Leidingprikkers
      • Meststoffen
        • Meststoffen
        • Zaden
      • Onkruidstekers
        • Onkruidstekers
        • Onkruidstekers
      • Opbergsystemen
        • Opbergsystemen
        • Opbergsystemen
      • Outdoor
        • Outdoor
        • Kampeerbenodigheden
      • Outdoor
        • Outdoor
        • Kampeerbenodigheden
      • Pikhouwelen
        • Pikhouwelen
        • Pikhouwelen
      • Rieken
        • Rieken
        • Rieken
      • Sappies
        • Sappies
        • Sappies
      • Scharen
        • Scharen
        • Heggenscharen
        • Schaar, toebehoren
        • Snoeischaren
        • Takkenscharen
      • Schepnetten
        • Schepnetten
        • Schepnetten
      • Schoffels
        • Schoffels
        • Schoffels
      • Schoppen
        • Schoppen
        • Ballastschoppen
        • Betonschoppen
        • Graanschoppen
        • Kabelschoppen
        • Steekschoppen
        • Zandschoppen
      • Schuivers
        • Schuivers
        • Sneeuwschuivers
      • Sleggen
        • Sleggen
        • Sleggen
      • Spades
        • Spades
        • Boomspades
        • Draineerspades
        • Spades
        • Zwanenhalsspade
      • Stelen
        • Stelen
        • Schoffelstelen
      • Stelen
        • Stelen
        • Batsstelen
        • Bijlstelen
        • Combistelen
        • D-stelen
        • Harkstelen
        • Kloofbijlstelen
        • Merkusspadestelen
        • PD stelen
        • Pikhouweelstelen
        • Schoffelstelen
        • Schopstelen
        • Sleggestelen
        • Sloothaakstelen
        • Spadestelen
        • Steel universeel
      • Stokhouders
        • Stokhouders
        • Stokhouders
      • Strooiwagens
        • Strooiwagens
        • Strooiwagens
      • Strooizoutopslagbakken
        • Strooizoutopslagbakken
        • Strooizoutopslagbakken
      • Tegelkrabbers
        • Tegelkrabbers
        • Voegenkrabbers
      • Verticuteermachines
        • Verticuteermachines
        • Verticuteermachines
      • Vorken
        • Vorken
        • Aardappelvorken
        • Hooivorken
        • Mestvorken
        • Puinvorken
        • Spitvorken
      • Vuilgrijpers
        • Vuilgrijpers
        • Vuilgrijpers
      • Zagen
        • Zagen
        • Snoeizagen
        • Stokzagen
        • Tuinzagen
      • Zeisen
        • Zeisen
        • Zeisen
    • Verspanende gereedschappen
      • Verspanende gereedschappen
      • Beitels
        • Beitels
        • Koudbeitels
      • Beitels
        • Beitels
        • Koudbeitels
      • Boren
        • Boren
        • Betonboren
        • Boorkronen
        • Boren, toebehoren
        • Borensets
        • Diamantboren
        • Dozenboren
        • Houtboren
        • Kernboren
        • Metaalboren
        • Multiboren
        • Scharnierboorsystemen
        • Steenboren
        • Tegelboren
        • Verzinkboren
      • Bovenfrezen hout
        • Bovenfrezen hout
        • Afrondfrezen
        • Fasefrezen
        • Frees, toebehoren
        • Freesboren
        • Freesmessen
        • Frezen met kogellager
        • Frezensets
        • Getrapte frezen
        • Graveerfrezen
        • Groeffrezen
        • Groefzagen
        • Holprofielfrezen
        • Houtraspen
        • Kantenfrezen
        • Kwartrondfrezen
        • Lijstfrezen
        • Messingfrezen
        • Profielfrezen
        • Schijffrezen
        • T-gleuffrezen
        • V-groeffrezen
        • Zwaluwstaartfrezen
      • Draadreparatiegereedschappen
        • Draadreparatiegereedschappen
        • Draadreparatietappen
      • Draadsnijgereedschappen
        • Draadsnijgereedschappen
        • Boortappen
        • Draadsnijsets
        • Draadsnijtoebehoren
        • Handtappen
        • Machinemoertappen
        • Machinetappen
        • Roltappen
        • Snijmoeren
        • Snijplaten
      • Draaigereedschappen
        • Draaigereedschappen
        • Frezen
        • Wisselplaten
      • Freesgereedschappen hout
        • Freesgereedschappen hout
        • Groeffrezen
      • Frezen metaal
        • Frezen metaal
        • Eensnijders
        • Frezensets
        • Gatfrezen
        • Kopverzinkfrezen
        • Mantelkopfrezen
        • Ruwfrezen
        • Schachtfrezen
        • Schijffrezen
        • Spiebaanfrezen
        • Stiftfrezen HM
        • Stiftfrezen HSS
        • Verzinkfrezen
        • Vingerfrezen
      • Gatzagen
        • Gatzagen
        • Gatzaag, toebehoren
        • Gatzagen
      • Keermessen
        • Keermessen
        • Keermessen, HM
      • Ontbraamgereedschappen
        • Ontbraamgereedschappen
        • Handontbramers
        • Ontbraamschijven- wielen
      • Polijstmiddelen
        • Polijstmiddelen
        • Poetsschijven
        • Polijstmaterialen
        • Staalwol
      • Ruimers
        • Ruimers
        • Handruimers
        • Machineruimers
      • Schaafbeitels
        • Schaafbeitels
        • Schaafbeitels
      • Schuurmiddelen
        • Schuurmiddelen
        • Klitschuurbladen
        • Klitschuurschijven
        • Minischuurschijven
        • Schuurbanden
        • Schuurblokken
        • Schuurborstels
        • Schuurlinnen
        • Schuurpads
        • Schuurpapier
        • Schuurschijven
        • Schuursets
        • Slijpbanden
        • Slijpschijven
        • Spiraalbanden
        • Steunschijven
      • Schuurmiddelen non-woven
        • Schuurmiddelen non-woven
        • Handpads
        • Klitschuurschijven
        • Klitschuurschijven
        • Polijst-lamellenschijven
        • Reinigingsschijven, non-woven
        • Schuurbanden
        • Schuurschijven
        • Schuurvellen
        • Schuurvlies
        • Schuurwielen
      • Slijpmiddelen
        • Slijpmiddelen
        • Doorslijpschijven
        • Draadborstels
        • Schuurhulzen
        • Slijpschijven
      • Slijpmiddelen
        • Slijpmiddelen
        • Afbraam- doorslijpschijven
        • Afbraamschijven
        • Diamant schijven
        • Doorslijpschijven
        • Draadborstels
        • Lamellenrollen
        • Lamellenschijven
        • Schuurhulzen
        • Slijpschijf, toebehoren
        • Slijpschijven
        • Slijpstenen op stift
        • Slijpstenen, bakeliet gebonden
      • Zaagbladen
        • Zaagbladen
        • Cirkelzaagbladen
        • Decoupeerzaagbladen
        • Diamant zaagbladen
        • Lint-, bandzagen
        • Multimachine zaagbladen
        • Reciprozaagbladen
        • Zaagblad, toebehoren
    • Woondecoratie
      • Woondecoratie
      • Gordijnophangsystemen
        • Gordijnophangsystemen
        • Gordijnrail
        • Gordijnrail, toebehoren
        • Gordijnroede, toebehoren
      • Schilderijophangsystemen
        • Schilderijophangsystemen
        • Schilderijrail
        • Schilderijrail, toebehoren
  • Diensten
    • Diensten
    • Gereedschapbeheer
    • Sleutels en cilinders
    • Werkkleding & PBM
    • PBM op maat
    • Technisch Service Centrum
    • Verhuur
  • Kenniscentrum
    • Kenniscentrum
    • Actiefolder aanvragen
    • Altrex maatwerk en projecten
    • Ankerplan
    • BIM
    • Downloads
    • Kerntrekbeveiliging
    • Lean
    • Luchtdicht bouwen
    • Meedenk Concept
    • Toolbox Meeting
  • Klanten
    • Klanten
    • Rekening aanvragen
    • Reparatie aanvragen
    • Bestellen en bezorgen
  • Over Breur
    • Over Breur
    • Algemene voorwaarden
    • Certificaten
    • Maatschappelijk Verantwoord Ondernemen
    • Onze showrooms
    • Rapportages
    • Wie zijn wij
  • Contact
    • Contact
    • Geef uw mening!
    • Openingstijden
    • Uw gegevens bij Breur
    • Werken bij Breur
    • Vestiging Capelle a/d IJssel
    • Vestiging Gouda
    • Vestiging Den Haag
  • Werken Bij Breur
  1. Startpagina /
  2. IJzerwaren /
  3. Bouten /
  4. Zeskantbouten

Sorteren op:

Clear All
lengte (mm)
Clear
  • 20
  • 12
DIN
Clear
  • DIN912
Categorie
  • Aandrijftechniek
  • Ankerwerk
  • Automotive
  • Beveiliging
  • Bevestigingsmaterialen
  • Bouwbeslag
  • Bouwproducten
  • Chemie
  • Draadmaterialen
  • Elektra
  • Handgereedschappen
  • Hang- en Sluitwerk
  • Huishoudelijk
  • IJzerwaren
  • Infrastructuur
  • Installatietechniek
  • Kantoorartikelen
  • Kantoorartikelen
  • Kantoorinrichting
  • Keuken artikelen
  • Kleding & PBM
  • Landbouwmateriaal
  • Lastechniek
  • Logistiek
  • Machines
  • Meubelbeslag
  • Profielen
  • Sanitair
  • Tuingereedschappen
  • Verspanende gereedschappen
  • Woondecoratie

Zeskantbouten

Zeskantbouten

Sorteren op
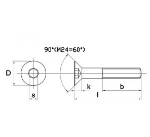
Binnenzeskantbout cilinderkop DIN 912 M3x12
Afbeelding - 600903420250205-JPG
6009034
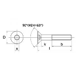
Binnenzeskantbout cilinderkop DIN 912 M3x20
Afbeelding - 600903420250205-JPG
6009035
Kobout binnenzeskantbout M10x100
Afbeelding - 6009933-png
6009933
Assortiment
  • Aandrijftechniek
  • Ankerwerk
  • Automotive
  • Beveiliging
  • Bevestigingsmaterialen
  • Bouwbeslag
  • Bouwproducten
  • Chemie
  • Draadmaterialen
  • Elektra
  • Handgereedschappen
  • Hang- en Sluitwerk
  • Huishoudelijk
  • IJzerwaren
  • Infrastructuur
  • Installatietechniek
  • Kantoorartikelen
  • Kantoorartikelen
  • Kantoorinrichting
  • Keuken artikelen
  • Kleding & PBM
  • Landbouwmateriaal
  • Lastechniek
  • Logistiek
  • Machines
  • Meubelbeslag
  • Profielen
  • Sanitair
  • Tuingereedschappen
  • Verspanende gereedschappen
Klantenservice
  • Algemene voorwaarden
  • Inloggen

  • Komt u er niet uit?

    Wij staan voor u klaar!

    U kunt ons bereiken via:

    010 - 2 888 444
Onze gegevens

Breur Groothandel Rivium
Rivium Boulevard 147
2909 LK Capelle a/d IJssel
T. 010 - 2 888 444
E. info@breur.nl

Breur Groothandel Den Haag
Singel 81
2497 GS Den Haag
T. 070 - 30 75 959
E. info@breur.nl

Breur Groothandel Gouda
Westbaan 130
2841 MC Moordrecht
T. 0182 - 57 44 00
E. info@breur.nl

  • Sitemap
  • Privacyverklaring
  • Breur Quick Support
2025 Breur IJzerhandel B.V.
Powered by nopCommerce
2025 Breur IJzerhandel B.V.
Powered by nopCommerce

Quick View